

At Control & Automation Systems, we specialize in providing cutting-edge Design & Engineering solutions for Instrumentation and Automation Projects across various industries, including Oil & Gas, Petrochemicals, Power Generation, Manufacturing, and Process Industries. Our expertise covers the entire project lifecycle, from conceptual design and feasibility studies to detailed engineering, system integration, and final commissioning.
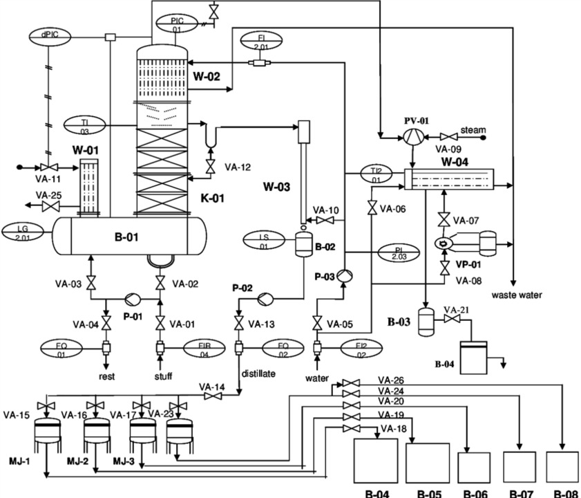
Our approach ensures that control systems, process instrumentation, and automation frameworks are designed for optimal performance, reliability, and efficiency. We develop intelligent process flow diagrams (PFDs) and piping & instrumentation diagrams (P&IDs) that provide a comprehensive blueprint for seamless operations. Our designs incorporate state-of-the-art sensors, actuators, control loops, and SCADA/DCS systems, ensuring real-time monitoring, predictive maintenance, and advanced process control.
With a strong focus on safety, compliance, and sustainability, we adhere to international standards such as IEC, ANSI/ISA, API, NFPA, and ISO. Our team of highly skilled engineers and automation specialists leverages advanced simulation tools, CAD modeling, and digital twin technologies to optimize system performance before implementation.

Our Services
Instrumentation Design
-
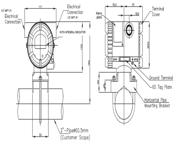
Process Control Design: Designing process instrumentation for temperature, pressure, flow, and level monitoring.
-
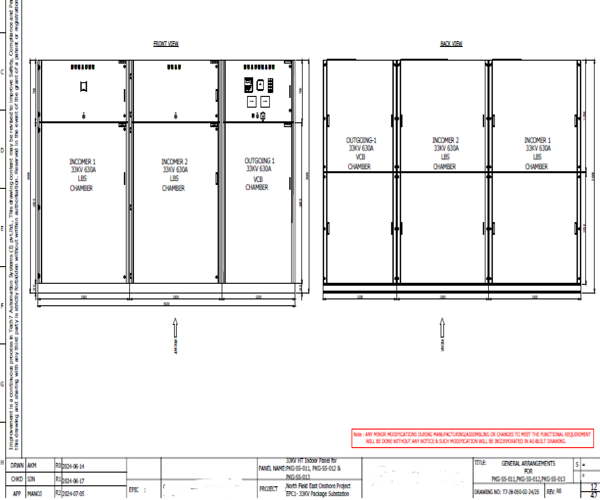
Instrumentation Layouts: Providing detailed layouts for instrument placement, cable routing, and panel designs.
-
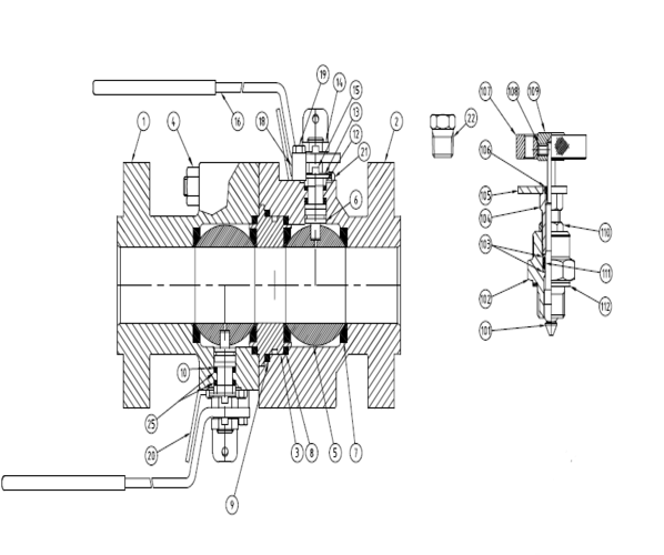
Control Loop Design: Developing PID controllers and feedback mechanisms for optimal regulation.
-
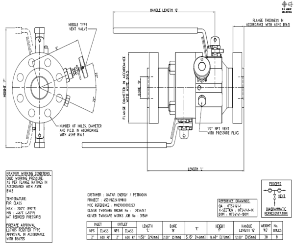
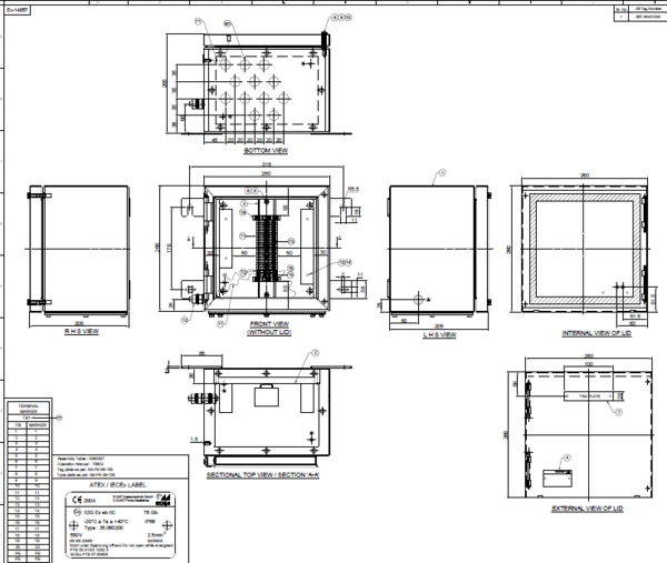
Hazardous Area Classification: Ensuring compliance with ATEX, IECEx, and other safety standards.
Automation Design
-
PLC Design & Programming: Developing custom control solutions using PLCs.
-
SCADA & HMI Design: Creating real-time monitoring and control solutions.
-
Distributed Control Systems (DCS): Implementing decentralized process control solutions.
-
System Integration: Seamlessly integrating automation with existing infrastructure.
Control System Engineering
-
System Architecture Design: Developing flexible and scalable control architectures.
-
Safety Instrumented Systems (SIS): Ensuring compliance with IEC 61508 and IEC 61511.
-
Networking & Communication: Implementing protocols like Modbus, Profibus, and Ethernet.
Electrical & Instrumentation Design Integration
-
Power Distribution Systems: Designing transformers, switchgear, and protection relays.
-
Cable & Wiring Layouts: Developing wiring diagrams and routing layouts.
-
Grounding & Lightning Protection: Implementing protection systems for personnel and equipment.
Detailed Engineering & Documentation
-
P&ID (Piping & Instrumentation Diagrams): Mapping out processes and instrument connections.
-
System Specifications & Datasheets: Preparing technical specifications for equipment.
-
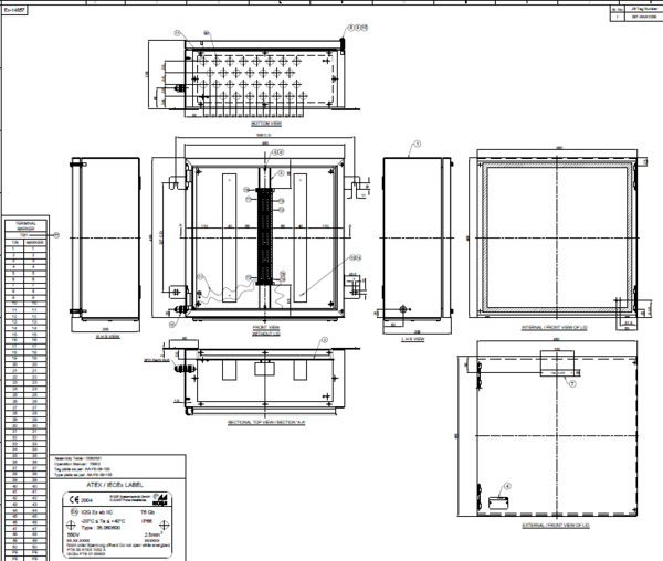
Control Panel Design: Engineering panels for automation and monitoring.
-
3D Modeling & Simulation: Creating digital models to optimize system design.
Compliance & Standards
-
International Standards: Adhering to IEC, ANSI, ISA, NFPA, and other regulations.
-
Quality Assurance: Implementing stringent quality control for accuracy and safety.
